您好,欢迎进入开云手机官方网站网站!
全国服务热线:16652863761
开云手机官方网站
产品搜索
PRODUCT SEARCH
产品分类
PRODUCT CLASSIFICATION
您现在的位置:首页 > 技术文章 > 传统传感器维护难?五要素气象传感器,零机械磨损免校准,后期成本降 60%

传统传感器维护难?五要素气象传感器,零机械磨损免校准,后期成本降 60%

浏览次数:10发布日期:2025-11-19
  【型号FT-WQX5】开云手机官方网站厂家品质有保障,专业技术与贴心售后服务,📞让您无后顾之忧。传统传感器大多依赖机械结构来实现对气象要素的测量,例如通过机械转动的风杯来测量风速,通过机械摆动的风向标来确定风向。这种机械结构在长期运行过程中,不可避免地会出现磨损问题。机械部件的磨损会导致测量精度下降,甚至出现故障,需要定期进行更换和维修。而且,传统传感器为了保证测量准确性,还需要定期进行校准,校准过程不仅繁琐,还需要专业的设备和技术人员,这无疑增加了后期维护的成本和工作量。
 
  相比之下,FT - WQX5 五要素气象传感器采用了先进的技术原理,实现了零机械磨损。它运用电子传感器和智能算法来测量温度、湿度、气压、风速、风向这五个关键气象要素,没有传统传感器中的那些易磨损的机械部件,从根源上避免了因机械磨损带来的各种问题。同时,该传感器还具备免校准的特性,其内部集成了高精度的自校准模块,能够自动对测量数据进行修正和调整,确保长期运行的测量准确性,无需使用者定期进行人工校准。
 
  由于零机械磨损和免校准的特点,FT - WQX5 五要素气象传感器在后期维护成本上大幅降低,据实际使用反馈,后期成本可降低 60%,大大减轻了使用者的经济负担。

  

  一、产品简介
 
  我司作为专业研发生产销售微型气象仪的企业,一直致力于微型气象仪和气象环境解决方案推广应用。具有完整的生产链、实力雄厚的技术团队和全面的营销团队,我们研发生产的超声波风速风向仪、五要素微气象仪、六要素微气象仪和小型自动气象站等气象产品,已广泛应用到气象监测、城市环境监测、风力发电、航海船舶、航空机场、桥梁隧道等领域,客户遍布全国各地,并取得了良好的社会效益和经济效益。
 
  与传统的微型气象仪相比,我司产品克服了对高精度计时器的需求,避免了因传感器启动延时、解调电路延时、温度变化而造成的测量不准问题。
 
  WQX5型五要素微气象仪创新性地将风速、风向、温度、湿度、大气压力通过一个高集成度结构来实现,可实现户外气象参数24小时连续在线监测,通过数字量通讯接口将五项参数一次性输出给用户。
 
  二、产品特点
 
  1、顶盖隐藏式超声波探头,避免雨雪堆积的干扰,避免自然风遮挡☆
 
  2、原理为发射连续变频超声波信号,通过测量相对相位来检测风速风向☆
 
  3、风速、风向、温度、湿度、大气压力五要素一体式☆
 
  4、采用先进的传感技术,实时测量,无启动风速☆
 
  5、抗干扰能力强,具有看门狗电路,自动复位功能,保证系统稳定运行
 
  6、高集成度,无移动部件,零磨损
 
  7、免维护,无需现场校准
 
  8、采用ASA工程塑料室外应用常年不变色
 
  9、产品设计输出信号标配为RS485通讯接口(MODBUS协议);可选配232、USB、以太网接口,支持数据实时读取☆
 
  10、可选配无线传输模块,最小传输间隔1分钟
 
  11、探头为卡扣式设计,解决了运输、安装过程松动不准的问题☆
 
  三、技术参数
 
  1、风速:测量原理超声波,0~60m/s(±0.1m/s)分辨率0.01m/s;
 
  2、风向:测量原理超声波,0~360°(±2°);分辨率:1°;
 
  3、空气温度:测量原理二极管结电压法,-40-80℃(±0.3℃),分辨率0.01℃;
 
  4、空气湿度:测量原理电容式,0-100%RH(±3%RH),分辨率:0.01%RH;
 
  5、大气压力:测量原理压阻式,300-1100hpa(±0.25%),分辨率0.1hpa;
 
  6、功率:0.72W
 
  7、生产企业具有ISO质量管理体系、环境管理体系和职业健康管理体系认证☆
 
  8、生产企业具有计算机软件注册证书☆
 
  9、生产企业为3A信用企业☆
 
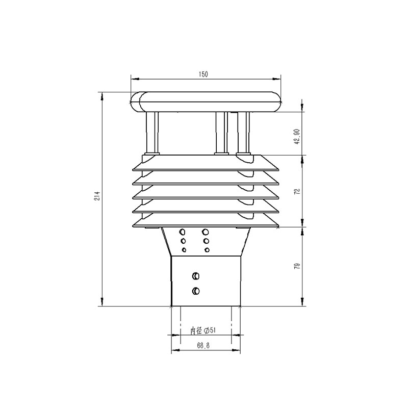
  四、产品尺寸图
 
五、产品结构图
 
1、控制电路
 
  2、指北箭头
 
  3、超声波探头
 
  4、百叶箱
 
  5、温度、湿度、气压监测位置
 
  6、底部固定法兰
 
Contact Us
  • 联系QQ:
  • 联系邮箱:https://www.apifree.net
  • 传真:16652863761
  • 联系地址:山东省潍坊市高新区光电路155号潍坊高新区光电产业加速器(一期)1号楼风途收货区

扫一扫  微信咨询

©2025 开云手机官方网站-开云online(中国) 版权所有  备案号:鲁ICP备19014883号-28  技术支持:智慧城市网    sitemap.xml    总访问量:158291 管理登陆

鲁公网安备 37079402370831